FAQs
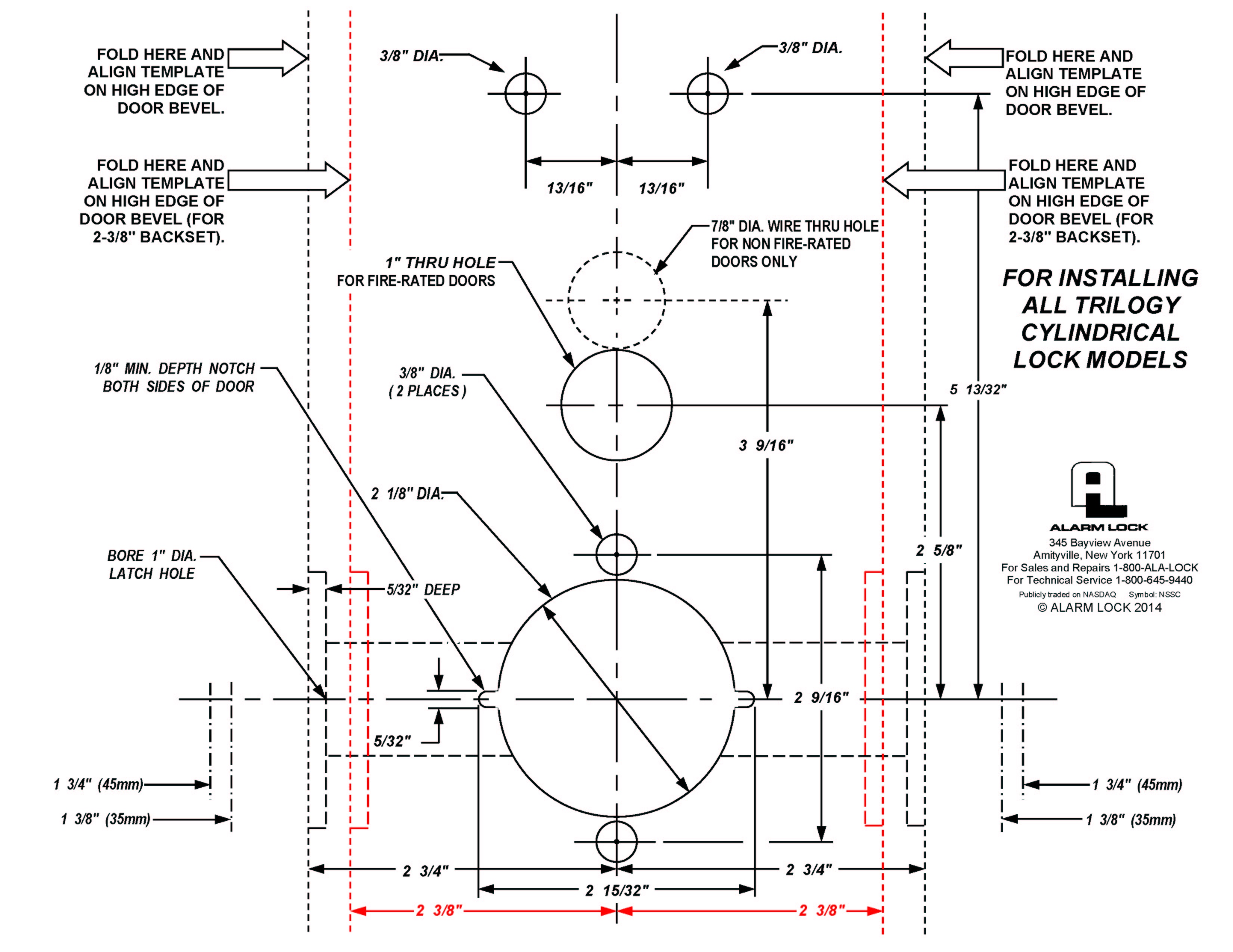
I need to install my cylindrical lock and the backset of my door is 2-3/8", but the Alarm Lock template indicates markings for only a 2-3/4" back set. What can I do?
On the paper template, draw a new line (parallel to the existing dotted line) that is 3/8" closer to the "Thru Holes" on the template. The image below shows these new lines in red color. Use these new lines in place of the existing dotted lines; fold on the new lines and place this folded edge on the high edge of the door bevel.
